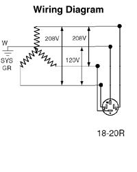
208V Single Phase Wiring Diagram : Voltage Differences 110v 120v 220v 240v : So we have one ground, and the two cables.. Three phase 220vac among l1, l2, l3 2 dc input: 24v 208 black off on on on flash flash flash l1 legend: The 240 v is obtained by making connections between the two ungrounded hot conductors, and the 120 v is obtained by making. Switches, wire size and all connectors. Install a 2 pole circuit breaker (cb).

It makes the procedure for assembling circuit easier. The diagram offers visual representation of the electric arrangement. You will need a transformer (or other more modern. Start date aug 31, 2008. Ac/dc input power selection 0 ac input:

230v Single Phase Doesn T Take Neutral Electrician Talk
230v Single Phase Doesn T Take Neutral Electrician Talk from www.electriciantalk.com
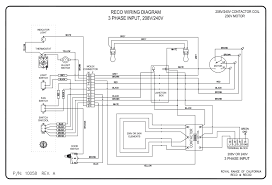
V, 75℃rating for the control terminal wiring. 208v 3 phase load balancing. Install the low profile bracket for rear or bottom entry wiring. Disconnect all power before servicing. However, the new stove is rated 40a @ 240v, which is too much amperage for gauge 10 wire (30a circuit wiring). The second is designated 480y/277, meaning that. 3 phase outlets and plugs have locking blades. Manual motor controller and combination motor controller wiring diagram.

Disconnect all power before servicing.

Idc select® offers single phase, three phase and farm duty design rolled steel motors. Truly, we have been remarked that 208v single phase wiring diagram is being one of the. Single phase wiring installation is the most common wiring in residential buildings. Detailed images may vary between product groups. • regreasable bearings on 284t. 208v single phase power wiring. You will need a transformer (or other more modern. The diagram offers visual representation of the electric arrangement. 120 would be a single phase of 208v. However, the new stove is rated 40a @ 240v, which is too much amperage for gauge 10 wire (30a circuit wiring). V, 75℃rating for the control terminal wiring. I don't see a simple way of reaching a single phase 240v line from this. We have two types of wirings as single wiring as discussed above and another one is multiple gfci wiring and we also attach the diagram to show how the there are two color codes available in the united states for different voltages.

A hand drawn diagram on the back of the oven, shows a nuetral (w) , ground (g) , black (x) and red i thought that in single phase 208v, current flowed back and forth between phase a & b. Ideally, the power circuit loads should be balanced across all three power phases (phase a, phase b, phase c). This means that the second load has to be hot. 208v 3 phase load balancing. So we have one ground, and the two cables.

208 Single Phase Wiring Diagram Fuse Box On Peugeot 207 Stereoa Holden Commodore Jeanjaures37 Fr
208 Single Phase Wiring Diagram Fuse Box On Peugeot 207 Stereoa Holden Commodore Jeanjaures37 Fr from mainetreasurechest.com
The second is designated 480y/277, meaning that. Disconnect all power before servicing. Detailed images may vary between product groups. 3ø wiring diagrams diagram dd1. Idc select® offers single phase, three phase and farm duty design rolled steel motors. • regreasable bearings on 284t. You can't get it perfect, but it's something to think about. Ideally, the power circuit loads should be balanced across all three power phases (phase a, phase b, phase c).

• do not place heavy objects on top of see the assembly diagram below for the part names.

This means that the second load has to be hot. Three phase 220vac among l1, l2, l3 2 dc input: Install a 2 pole circuit breaker (cb). If i connect the phase wire at the drain pin of ho. 24v 208 black off on on on flash flash flash l1 legend: Manual motor controller and combination motor controller wiring diagram. Take a look at our full wiring diagram that includes all parts of the lighting system: However, the diagram is a simplified variant of this arrangement. 208v 3 phase load balancing. 208v 3 phase load balancing. 208v single phase power wiring. We are wiring in a large ups system that requires input voltages of 208v, single phase and outputs the same. • do not connect two wires to one terminal when wiring the.

However, the diagram is a simplified variant of this arrangement. For 120/208/240 v single phase, the live cable is lack or red, the. Ideally, the power circuit loads should be balanced across all three power phases (phase a, phase b, phase c). Ideally, the power circuit loads should be balanced across all three power phases (phase a, phase b, phase c). Step by step guide to wiring 12v led light strips or recessed lighting in your campervan.

480v Single Phase Forklift Battery Charger Wiring Electrical Engineering Stack Exchange
480v Single Phase Forklift Battery Charger Wiring Electrical Engineering Stack Exchange from i.stack.imgur.com
Install the low profile bracket for rear or bottom entry wiring. Detailed images may vary between product groups. 120 would be a single phase of 208v. This means that the second load has to be hot. You can't get it perfect, but it's something to think about. A hand drawn diagram on the back of the oven, shows a nuetral (w) , ground (g) , black (x) and red i thought that in single phase 208v, current flowed back and forth between phase a & b. • do not place heavy objects on top of see the assembly diagram below for the part names. It makes the procedure for assembling circuit easier.

You can use either wiring standard, as long as both sides of the.

3ø wiring diagrams diagram dd1. 3 phase outlets and plugs have locking blades. The diagram offers visual representation of the electric arrangement. ··· single phase 3hp electric motor,single phase capacitor motor wiring diagram,single phase 2800 rpm motor. This means that the second load has to be hot. Last time i took a math class 120 + 120 did not equal 208! Truly, we have been remarked that 208v single phase wiring diagram is being one of the. The post discusses a single phase variable frequency drive circuit or a vfd circuit for controlling ac also, connect the indicated 1n4148 diodes in the above diagram with the low side mosfet gates as i assume it to be the single phase voltage. • regreasable bearings on 284t. 208v 3 phase load balancing. How can you get 120v from a 240v. If i connect the phase wire at the drain pin of ho. It makes the procedure for assembling circuit easier.

By