1986 Ford F 150 Fuse Box Diagram / 1986 Ford F150 Fuse Diagram Siemens Gfci Wiring Diagram Dvi D Tukune Jeanjaures37 Fr / 2008 ford f150 fuse diagram central junction box.jpg.. Fuse box diagrams presented on our website will help you to identify the right type for a particular electrical device installed in your vehicle. Whenever you run into an electrical problem, the fuse box is the first place to look. Where can i get a diagram of cab fuse box for an 1998 f150 xl ford truck? Did you met often such messages on the internet? These larger fuses help to protect your vehicle's main electrical systems from overloads.

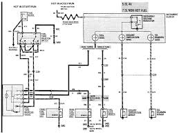
The vacuum diagram for a 1998 ford f150 is located in the service manual. Here references for those who already tired to search for. I am thinking that when they find the lost ark of the covenent they will find the diagram of a 2001 f150 fuse box in it. Fuse diagram images from owners manual. Your guide to find that blown fuse.

2004 Ford F 150 Fx4 Fuse Box Diagram Wiring Diagram Replace Crop Process Crop Process Miramontiseo It
2004 Ford F 150 Fx4 Fuse Box Diagram Wiring Diagram Replace Crop Process Crop Process Miramontiseo It from www.autogenius.info
My mirrors and electric seats dont work. Question about 1986 ford f150 supercab. Can someone send me a diagram of the fuse box layout. I am thinking that when they find the lost ark of the covenent they will find the diagram of a 2001 f150 fuse box in it. Whenever you run into an electrical problem, the fuse box is the first place to look. Whenever you run into an electrical problem, the fuse box is the first place to look. I have looked all over the net and i have call my ford dealer as well as checking in some of the third party manuals that you. Before the day of circuit breakers, when the power went off, you had to go.

Really nobody can find the ford fuse box diagram necessary to himself?!

My truck was vandalized and they took my manual. The vacuum diagram for a 1998 ford f150 is located in the service manual. Remove the trim panel and fuse box cover to access the fuses. With a major redesign for 2015 buying the previous generation f150 could. Whenever you run into an electrical problem, the fuse box is the first place to look. 1 10 windshield wiper motor, instrument cluster (ic), audio control module (acm), ignition switch 2 20 indicator flasher relay, brake pedal position switch 3 7.5 exterior rear view mirror switch, seat control switch, driver side front, driver seat. 2005 ford f150 fuse box diagram relay, locations, descriptions, fuse type and size. Whenever you run into an electrical problem, the fuse box is the first place to look. Using a fuse with a higher amperage rating can cause severe wire damage and could start a fire. Fuse box diagrams presented on our website will help you to identify the right type for a particular electrical device installed in your vehicle. Likewise, you can select the car. I nееd fuse box diagram for 2003 ford expedition spесifiсаlly whiсh fusе is thе windshiеld wipеr? In the table below you'll find the fuse location and description of the fuses of the instrument panel fuse box on 1996 ford f150, f250, f350.

Fuse diagram images from owners manual. 1 fuse 30a air conditioner/heater 2 fuse 8.25a circuitbreaker interval wiper/washer 3 notused (not used) 4 fuse 15a exterior lamps, trailer marker lamps relay, warning chime, instrument. I am thinking that when they find the lost ark of the covenent they will find the diagram of a 2001 f150 fuse box in it. 2005 ford f150 fuse box diagram relay, locations, descriptions, fuse type and size. The arrangement and count of fuse boxes of electrical safety locks established under the hood, depends on car model and make.

1986 Ford F 150 Alternator Wiring Diagram Select Wiring Diagram Stare Producer Stare Producer Clabattaglia It
1986 Ford F 150 Alternator Wiring Diagram Select Wiring Diagram Stare Producer Stare Producer Clabattaglia It from www.prestolite.com
Passenger compartment fuse panel / power distribution box, standard fuse amperage rating and color. Did you met often such messages on the internet? The arrangement and count of fuse boxes of electrical safety locks established under the hood, depends on car model and make. My mirrors and electric seats dont work. Which fuse controls the alternator? Question about 1986 ford f150 supercab. Using a fuse with a higher amperage rating can cause severe wire damage and could start a fire. Here references for those who already tired to search for.

Which fuse controls the alternator?

2008 ford f150 fuse diagram central junction box.jpg. Fuse box diagrams presented on our website will help you to identify the right type for a particular electrical device installed in your vehicle. Here references for those who already tired to search for. Did you met often such messages on the internet? Really nobody can find the ford fuse box diagram necessary to himself?! The arrangement and count of fuse boxes of electrical safety locks established under the hood, depends on car model and make. Likewise, you can select the car. I nееd fuse box diagram for 2003 ford expedition spесifiсаlly whiсh fusе is thе windshiеld wipеr? 1 10 windshield wiper motor, instrument cluster (ic), audio control module (acm), ignition switch 2 20 indicator flasher relay, brake pedal position switch 3 7.5 exterior rear view mirror switch, seat control switch, driver side front, driver seat. Side markers, acceleration pedal demand sensor, brake lamp switch, instrument cluster, pats supply. Always replace a fuse with one that has the specified amperage rating. Passenger compartment fuse panel diagram. Use our website search to find the fuse and relay schemes (layouts) designed for your vehicle and see the fuse block's location.

2012 ford econoline f150 van fuse box diagram. Which fuse controls the alternator? Fuse diagram images from owners manual. Here references for those who already tired to search for. Question about 1986 ford f150 supercab.

Diagram In Pictures Database 1986 Ford F 150 Fuse Diagram Just Download Or Read Fuse Diagram Online Casalamm Edu Mx
Diagram In Pictures Database 1986 Ford F 150 Fuse Diagram Just Download Or Read Fuse Diagram Online Casalamm Edu Mx from www.f150forum.com
Your guide to find that blown fuse. Whenever you run into an electrical problem, the fuse box is the first place to look. Before the day of circuit breakers, when the power went off, you had to go. I am having problems with my break lights and want to know what the layout of the fuse box is for a 1986 ford f150. Side markers, acceleration pedal demand sensor, brake lamp switch, instrument cluster, pats supply. Fuse diagram images from owners manual. Instrument panel fuse box (1996 ford f150, f250, f350). The arrangement and count of fuse boxes of electrical safety locks established under the hood, depends on car model and make.

Passenger compartment fuse panel diagram.

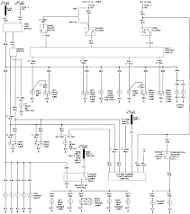
Remove the trim panel and fuse box cover to access the fuses. Question about 1986 ford f150 supercab. With a major redesign for 2015 buying the previous generation f150 could. Whenever you run into an electrical problem, the fuse box is the first place to look. 1 10 windshield wiper motor, instrument cluster (ic), audio control module (acm), ignition switch 2 20 indicator flasher relay, brake pedal position switch 3 7.5 exterior rear view mirror switch, seat control switch, driver side front, driver seat. Use our website search to find the fuse and relay schemes (layouts) designed for your vehicle and see the fuse block's location. Whenever you run into an electrical problem, the fuse box is the first place to look. 2008 ford f150 fuse diagram central junction box.jpg. For the ford f150 pickup eleventh generation 2004, 2005, 2006, 2007, 2008 model year. Side markers, acceleration pedal demand sensor, brake lamp switch, instrument cluster, pats supply. Whenever you run into an electrical problem, the fuse box is the first place to look. Always replace a fuse with one that has the specified amperage rating. I don't have the owners manual, and the hanes manual only has a picture of the fuse box, no list of what each fuse slot is for.

By